hr en

Mjerne letve, digitalne, nehrđajući čelik, HELISO PREISSER

Šifra: 170208

Letve su izrađene od nehrđajućeg čelika

Pomični i klizni dijelovi su napravljeni od anodiziranog aluminija

Veća mjerna područja su dostupna na upit

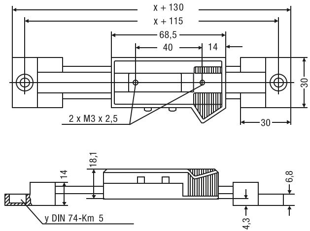
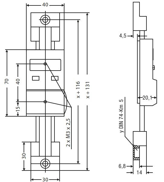
x = mjerni raspon

y = redukcija M5

Prekidač uključi/isključi

Postavljanje u 0 u bilo kojoj točki

pretvorna mm/inch

Funkcija zadržavanja

Funkcija PRESET (postavljanje brojčane vrijednosti)

Dostava u kartonskoj kutiji

Dvije su verzije mjernih letvi : horizontalne i vertikalne

Kupite

Mjerni raspon (mm)Mjerni raspon (inch)Očitanje (mm)Očitanje (inch)Tolerancija greške (mm)
0 - 150 0 - 60.01.00050.03
0 - 2000 - 80.01
0005
0.03
0 - 3000 - 120.01
0005
0.03
0 - 4500 - 180.01
0005
0.03
0 - 6000 - 240.01
0005
0.03
0 - 8000 - 310.01
0005
0.04
0 - 10000 - 390.01
0005
0.04


Pribor: 
Baterija, 3V-litij, CR 2032
Kabel OPTO do RS232
Kabel OPTO do USB
Kabel USB tipkovnice